Product type
Contact Information
+86 755 89660635
+86 189 2461 3736
10GBASE-LR SFP+ 1310nm 40km LC DDM SMF Optical Transceiver Module
ZK-SFP+-ER
10Gbps SFP+ ER 1550nm 40km SMF Transceiver
Features
n Hot-pluggable SFP+ footprint
n Supports 9.5 to 11.3Gb/s bit rates
n Power dissipation < 1.5W
n Single 3.3V power supply
n Maximum link length of 40km
n 1550nm EML transmitter, PIN photo-detector
n Duplex LC connector
n Power dissipation < 1.5W
n Built-in digital diagnostic functions
n Case temperature range :0°C to 70°C
n Compliant with SFF-8472 SFP+ MSA.
n Compliant to SFP+ SFF-8431 and SFF-8432.
n Compliant to 802.3ae 10GBASE-ER.
n RoHS Compliant.
Applications
n 10GBASE-ER/EW (with/without FEC)
n 10G Fiber Channel (with/without FEC)
Description
ZK-SFP+-ER is designed for use in 10-Gigabit Ethernet links up to 40km over single mode fiber. The module consists of 1550 EML Laser, InGaAs PIN and Preamplifier in a high-integrated optical sub-assembly. Digital diagnostics functions are available via a 2-wire serial interface, as specified in SFF8472. The module data link up to 40km in 9/125um single mode fiber.
Absolute Maximum Ratings
Parameter | Symbol | Min. | Typ. | Max. | Unit | Note |
Storage Temperature | Ts | -40 | 85 | ºC | ||
Storage Ambient Humidity | HA | 5 | 85 | % | ||
Power Supply Voltage | VCC | -0.5 | 4 | V | ||
Signal Input Voltage | -0.3 | Vcc+0.3 | V | |||
Receiver Damage Threshold | +4 | dBm |
Recommended Operating Conditions
Parameter | Symbol | Min. | Typ. | Max. | Unit | Note |
Operating Case Temperature | Tcase | 0 | 70 | ºC | Note (1) | |
Ambient Humidity | HA | 5 | 85 | % | ||
Power Supply Voltage | VCC | 3.14 | 3.3 | 3.46 | V | |
Power Supply Current | ICC | 450 | mA | |||
Power Supply Noise Rejection | 100 | mVp-p | 100Hz to 1MHz | |||
Transmission Distance | 40 | km | 16:1 split | |||
Coupled fiber | Single mode fiber | ITU-T G.653 | ||||
Notes: -10 to 60℃ with 1.5m/s airflow
Optical Characteristics
Parameter | Symbol | Min. | Typ. | Max. | Unit | Note |
Transmitter | ||||||
Average Launched Power | PO | -2 | +4 | dBm | Note (1) | |
Extinction Ratio | ER | 6 | dB | |||
Center Wavelength | λc | 1530 | 1550 | 1565 | nm | |
Spectrum Band Width (RMS) | σ | 1.0 | nm | |||
SMSR | 30 | dB | ||||
Transmitter OFF Output Power | POff | -40 | dBm | |||
Optical Rise/Fall Time | tr/tf | 100 | 260 | ps | Note (2) | |
Transmitter and Dispersion Penalty | TDP | 3.0 | dB | |||
Output Eye Mask | Compliant with IEEE 0802.3ae | |||||
Receiver | ||||||
Input Optical Wavelength | λ | 1270 | 1610 | nm | ||
Receiver Sensitivity | -14 | dBm | Note (3) | |||
Input Saturation Power (Overload) | Psat | 0.5 | dBm | |||
LOS Detect -Assert Power | PA | -28 | dBm | |||
LOS Detect - Deassert Power | PD | -15 | dBm | |||
LOS Detect Hysteresis | PHYS | 0.5 | dB | |||
Note:
1. Launched power (avg.) is power coupled into a single mode fiber with master connector.(Before of Life)
2. These are unfiltered 20-80% values.
3. Measured with conformance test signal for BER = 10^–12.@10.3125Gbps, PRBS=2^31-1,NRZ
Electrical Interface Characteristics
Parameter | Symbol | Min. | Typ. | Max. | Unit | Note | ||||||
Transmitter | ||||||||||||
Differential line input Impedance | RIN | 100 | Ohm | |||||||||
Differential Data Input Swing | VDT | 300 | 700 | mVp-p | ||||||||
Transmit Disable Voltage | Vdis | 2 | Vcc | V | LVTTL | |||||||
Transmit Enable Voltage | Ven | Vee | Vee+0.8 | V | ||||||||
Receiver | ||||||||||||
Differential Data Output Swing | VDR | 400 | 850 | mVp-p | Note (1) | |||||||
LOS Output Voltage-High | VLOSH | Vee | Vee+0.8 | V | LVTTL | |||||||
LOS Output Voltage-Low | VLOSL | 2 | VccHOST | V | ||||||||
Notes: Into 100Ω differential termination.
Pin Description
Pin | Symbol | Name/Description | Ref. |
1 | VEET | Transmitter Ground (Common with Receiver Ground) | 1 |
2 | TFAULT | Transmitter Fault. | 2 |
3 | TDIS | Transmitter Disable. Laser output disabled on high or open. | 3 |
4 | SDA | 2-wire Serial Interface Data Line | 4 |
5 | SCL | 2-wire Serial Interface Clock Line | 4 |
6 | MOD_ABS | Module Absent. Grounded within the module | 4 |
7 | RS0 | Rate Select 0 | 5 |
8 | LOS | Loss of Signal indication. Logic 0 indicates normal operation. | 6 |
9 | RS1 | No connection required | 1 |
10 | VEER | Receiver Ground (Common with Transmitter Ground) | 1 |
11 | VEER | Receiver Ground (Common with Transmitter Ground) | 1 |
12 | RD- | Receiver Inverted DATA out. AC Coupled | |
13 | RD+ | Receiver Non-inverted DATA out. AC Coupled | |
14 | VEER | Receiver Ground (Common with Transmitter Ground) | 1 |
15 | VCCR | Receiver Power Supply | |
16 | VCCT | Transmitter Power Supply | |
17 | VEET | Transmitter Ground (Common with Receiver Ground) | 1 |
18 | TD+ | Transmitter Non-Inverted DATA in. AC Coupled. | |
19 | TD- | Transmitter Inverted DATA in. AC Coupled. | |
20 | VEET | Transmitter Ground (Common with Receiver Ground) | 1 |
Notes:
1. Circuit ground is internally isolated from chassis ground.
2. TFAULT is an open collector/drain output, which should be pulled up with a 4.7k – 10k Ohms resistor on the host board if intended for use. Pull up voltage should be between 2.0V to Vcc + 0.3V.A high output indicates a transmitter fault caused by either the TX bias current or the TX output power exceeding the preset alarm thresholds. A low output indicates normal operation. In the low state, the output is pulled to <0.8V.
3. Laser output disabled on TDIS >2.0V or open, enabled on TDIS <0.8V.
4. Should be pulled up with 4.7kΩ- 10kΩ host board to a voltage between 2.0V and 3.6V. MOD_ABS pulls line low to indicate module is plugged in.
5. Internally pulled down per SFF-8431 Rev 4.1.
6. LOS is open collector output. It should be pulled up with 4.7kΩ – 10kΩ on host board to a voltage between 2.0V and 3.6V. Logic 0 indicates normal operation; logic 1 indicates loss of signal.
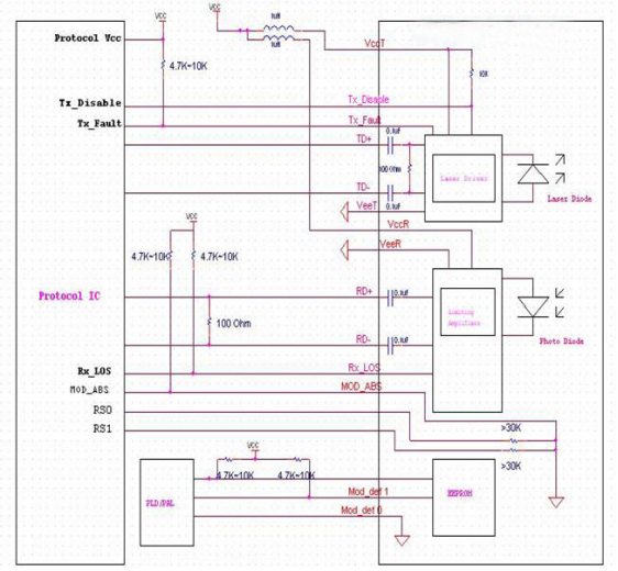
Recommended Interface Circuit

Mechanical Dimensions

Important Notice
Performance figures, data and any illustrative material provided in this data sheet are typical and must be specifically confirmed in writing by Zkosemi before they become applicable to any particular order or contract. In accordance with the Zkosemi policy of continuous improvement specifications may change without notice. The publication of information in this data sheet does not imply freedom from patent or other protective rights of Zkosemi or others. Further details are available from any Zkosemi sales representative.